
產品名稱:Q647H氣動固定球閥
產品標簽:球閥,氣動固定球閥
更新時間:2019/6/2 9:13:34
上一個產品: Q947F電動固定法蘭球閥
下一個產品:Q367F管線焊接球閥
在線訂購:在線訂購
產品詳情
序號 |
零件名稱 |
材質 |
|
GB |
ASTM |
||
1 |
閥體 |
WCB |
A2116-WCB |
2 |
彈簧 |
60Si2aMn |
AISI 9260 |
3 |
密封圈 |
PTFE |
PTFE |
4 |
墊片 |
PTFE |
PTFE |
5 |
排污螺母 |
25 |
A105 |
6 |
"0" 型密封圈 |
橡膠 |
橡膠 |
7 |
底蓋 |
25 |
A105 |
8 |
螺釘 |
35 |
A193-B7 |
9 |
固定軸 |
1Cr13 |
A276-410 |
10 |
滑動軸承 |
PTFE& |
PTFE& |
11 |
球體 |
1C18Ni9Ti |
SS304 |
12 |
閥蓋 |
WCB |
A216-WCB |
13 |
閥座 |
25 |
A105 |
14 |
閥桿 |
1Cr33 |
A276-410 |
15 |
螺柱 |
35CrMoA |
A193-B7 |
16 |
螺母 |
35 |
A194-2H |
17 |
壓套 |
25 |
A105 |
18 |
填料 |
PTFE |
PTFE |
19 |
支架 |
WCB |
A216-WCB |
20 |
填料壓蓋 |
WCB |
A2116-WCB |
21 |
鍵 Key |
45 |
AISI C 1045 |
設計依據 |
國標系列 |
美標系列 |
|
設計標準 |
GB/T12237 |
AP16D |
ANSI B16.34 |
法蘭連接結構長度 |
GB/T12221 |
AP16D |
ANSI B16.10 |
結構長度(焊接) |
GB/T15188.1 |
AP16D |
ANSI B16.10 |
連接法蘭 |
GB/T9113 |
ANSI B16.5、B16.47 |
|
對焊端 |
GB/T12224 |
ANSI B16.25 |
|
試驗和檢驗 |
GB/T9092 |
AP16D |
AP1598 |
壓力等級 |
試驗壓力(MPa) |
||
公稱壓力(PN) |
磅級(Class) |
殼體試驗 |
密封試驗 |
1.0 |
- |
1.5 |
1.1 |
1.6 |
- |
2.5 |
1.76 |
2.5 |
- |
3.8 |
2.75 |
4.0 |
- |
6.0 |
4.4 |
6.4 |
- |
9.6 |
7.04 |
- |
150 |
3.0 |
2.2 |
- |
300 |
7.6 |
5.6 |
- |
600 |
15.0 |
11.0 |
- |
10K |
2.4 |
1.5 |
- |
20K |
5.8 |
4.0 |
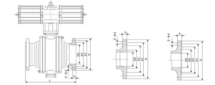
公稱通徑DN |
25 |
32 |
40 |
50 |
65 |
80 |
100 |
125 |
150 |
200 |
250 |
300 |
350 |
400 |
450 |
500 |
600 |
700 |
|
d1 |
25 |
32 |
40 |
50 |
65 |
80 |
100 |
125 |
150 |
200 |
250 |
300 |
337 |
387 |
438 |
489 |
591 |
686 |
|
L |
165 |
180 |
190 |
216 |
241 |
283 |
305 |
356 |
394 |
457 |
533 |
610 |
686 |
762 |
864 |
914 |
1067 |
1245 |
|
H |
50 |
55 |
80 |
102 |
114 |
127 |
152 |
184 |
219 |
273 |
360 |
395 |
430 |
470 |
550 |
580 |
700 |
800 |
|
手動 |
H1 |
75 |
85 |
95 |
107 |
125 |
152 |
178 |
300 |
330 |
398 |
495 |
580 |
625 |
670 |
698 |
840 |
1050 |
1100 |
E |
- |
- |
- |
- |
- |
- |
- |
- |
- |
116 |
116 |
171 |
171 |
257 |
257 |
257 |
150 |
83 |
|
F |
- |
- |
- |
- |
- |
- |
- |
- |
- |
350 |
350 |
400 |
420 |
400 |
420 |
400 |
410 |
650 |
|
W |
160 |
160 |
230 |
230 |
400 |
400 |
650 |
1050 |
1050 |
600 |
600 |
800 |
800 |
800 |
800 |
800 |
800 |
800 |
|
Wt(Kg) |
4.5 |
5.7 |
7.0 |
12 |
16 |
22 |
35 |
58 |
74 |
205 |
322 |
460 |
576 |
864 |
1280 |
1600 |
1600 |
4500 |
|
電動 |
H2 |
- |
- |
- |
- |
- |
- |
- |
- |
554 |
600 |
652 |
760 |
770 |
830 |
- |
940 |
940 |
1115 |
L1 |
- |
- |
- |
- |
- |
- |
- |
- |
235 |
235 |
235 |
259 |
400 |
400 |
- |
410 |
410 |
410 |
|
氣動 |
H3 |
215 |
240 |
264 |
274 |
379 |
389 |
479 |
552 |
666 |
736 |
926 |
1059 |
1127 |
1393 |
1468 |
1538 |
1538 |
1450 |
L2 |
200 |
270 |
270 |
270 |
405 |
405 |
576 |
576 |
776 |
776 |
776 |
1060 |
1060 |
1360 |
1360 |
1360 |
1360 |
2840 |
|
公稱通徑DN |
25 |
32 |
40 |
50 |
65 |
80 |
100 |
125 |
150 |
200 |
250 |
300 |
350 |
400 |
450 |
500 |
600 |
700 |
|
d1 |
25 |
32 |
40 |
50 |
65 |
80 |
100 |
125 |
150 |
200 |
250 |
300 |
337 |
387 |
438 |
489 |
591 |
686 |
|
L |
165 |
180 |
190 |
216 |
241 |
283 |
305 |
381 |
403 |
502 |
568 |
648 |
762 |
838 |
914 |
991 |
1143 |
1346 |
|
H |
50 |
55 |
80 |
102 |
114 |
127 |
152 |
184 |
219 |
273 |
360 |
395 |
430 |
470 |
550 |
580 |
700 |
800 |
|
手動 |
H1 |
75 |
85 |
95 |
107 |
125 |
152 |
178 |
300 |
330 |
398 |
495 |
580 |
625 |
670 |
698 |
840 |
1050 |
1100 |
E |
- |
- |
- |
- |
- |
- |
- |
- |
- |
116 |
116 |
171 |
171 |
257 |
257 |
257 |
150 |
83 |
|
F |
- |
- |
- |
- |
- |
- |
- |
- |
- |
350 |
350 |
420 |
420 |
400 |
400 |
400 |
410 |
650 |
|
W |
160 |
160 |
230 |
230 |
400 |
400 |
650 |
1050 |
1050 |
600 |
600 |
800 |
800 |
800 |
800 |
800 |
800 |
800 |
|
Wt(Kg) |
4.5 |
5.7 |
7.0 |
15 |
24 |
30 |
55 |
87 |
118 |
255 |
370 |
533 |
640 |
1030 |
1524 |
2100 |
4200 |
5300 |
|
電動 |
H2 |
- |
- |
- |
- |
- |
- |
- |
- |
235 |
235 |
400 |
400 |
410 |
410 |
- |
420 |
690 |
690 |
L1 |
- |
- |
- |
- |
- |
- |
- |
- |
74 |
350 |
350 |
420 |
420 |
400 |
- |
400 |
410 |
650 |
|
氣動 |
H3 |
215 |
240 |
264 |
340 |
379 |
452 |
479 |
646 |
666 |
814 |
1002 |
1059 |
1150 |
1205 |
1250 |
1295 |
1390 |
1470 |
L2 |
200 |
270 |
270 |
405 |
405 |
574 |
574 |
756 |
756 |
1060 |
1060 |
1060 |
1360 |
1360 |
2840 |
2840 |
3300 |
3300 |
|
公稱通徑DN |
25 |
32 |
40 |
50 |
65 |
80 |
100 |
125 |
150 |
200 |
250 |
300 |
350 |
400 |
450 |
500 |
600 |
700 |
|
d1 |
25 |
32 |
40 |
50 |
65 |
80 |
100 |
125 |
150 |
200 |
250 |
300 |
337 |
387 |
438 |
489 |
591 |
686 |
|
L |
165 |
180 |
190 |
216 |
241 |
283 |
305 |
381 |
403 |
502 |
568 |
648 |
762 |
838 |
914 |
991 |
1143 |
1346 |
|
H |
50 |
55 |
80 |
102 |
114 |
127 |
152 |
184 |
219 |
273 |
360 |
395 |
430 |
470 |
550 |
580 |
700 |
800 |
|
手動 |
H1 |
75 |
85 |
95 |
107 |
125 |
152 |
178 |
300 |
330 |
398 |
495 |
580 |
625 |
670 |
698 |
840 |
1050 |
1100 |
E |
- |
- |
- |
- |
- |
- |
- |
- |
- |
116 |
116 |
171 |
171 |
257 |
257 |
257 |
150 |
83 |
|
F |
- |
- |
- |
- |
- |
- |
- |
- |
- |
350 |
350 |
420 |
420 |
400 |
400 |
400 |
410 |
650 |
|
W |
160 |
160 |
230 |
230 |
400 |
400 |
650 |
1050 |
1050 |
600 |
600 |
800 |
800 |
800 |
800 |
800 |
800 |
800 |
|
Wt(Kg) |
4.5 |
5.7 |
7.0 |
15 |
24 |
30 |
55 |
87 |
118 |
255 |
370 |
533 |
640 |
1030 |
1524 |
2100 |
4200 |
5300 |
|
電動 |
H2 |
- |
- |
- |
- |
- |
- |
- |
- |
235 |
235 |
400 |
400 |
410 |
410 |
- |
420 |
690 |
690 |
L1 |
- |
- |
- |
- |
- |
- |
- |
- |
74 |
350 |
350 |
420 |
420 |
400 |
- |
400 |
410 |
650 |
|
氣動 |
H3 |
215 |
240 |
264 |
340 |
379 |
452 |
479 |
646 |
666 |
814 |
1002 |
1059 |
1150 |
1205 |
1250 |
1295 |
1390 |
1470 |
L2 |
200 |
270 |
270 |
405 |
405 |
574 |
574 |
756 |
756 |
1060 |
1060 |
1060 |
1360 |
1360 |
2840 |
2840 |
3300 |
3300 |
|
![]() |





